
市政管道作为城市基础设施的重要组成之一,能及时排除城市地面雨水,为城市提供工业和生活用水,同时还能防止城市水资源受到污染。今天整理了一下和市政管道施工与设计的相关内容,希望能对诸位有所帮助。
一、管道材料
1.基本要求
具有足够的强度和一定的刚度
管道内壁表面光滑,减小水流阻力
具有一定的耐腐蚀能力
具有足够的密闭性
易加工,经济
2.常用管材
(1)混凝土管和钢筋混凝土管
强度高、取材方便;抗酸碱及抗渗性差、接头多、自重大,运输中易破损。
适用于土质不良地段、穿越铁路、道路时。
管口形式:承插、平口、企口
(2) 陶土管
上釉后管壁光滑、抗渗、抗腐蚀;易碎、强度低。
适用于排除酸性工业废水或地下水有侵蚀性时。
管口形式:承插、平口
(3)金属管
强度高、抗渗、管壁光滑、接口少;价格高、易腐蚀。
适用于抗震等级高、地下水位高或承受高压、流砂严重或对渗漏要求特别高的地段。
管口形式:法兰、承插 n常见管材:钢管、铸铁管
△铸铁管
(4)塑料管道
施工方便、材质轻、内壁光滑;强度较低、刚性差、热胀冷缩大、在日照下易老化。
管口连接:粘接、电熔焊接
常见管材:UPVC硬聚氯乙烯、PE聚乙烯、PP聚丙烯。
(5)新型管材 nHDPE高密度聚乙烯、FRP玻璃钢、玻纤混凝土等
△FRP管
3.给水管件
①配件 n在管道的转弯、分支、变径及连接其他设备处使用
如:三通、四通、弯头、异径管(变径管)、短管(变接口)等。
②附件
输配水控制
止回阀:控制水流只朝一个方向流动,防止倒流
排气阀:排骨管道中的气体,减小水流阻力
泄水阀:排空管道,清除沉淀物
消防栓:消防车取水设施
二、管道构造
1、基础
包括:地基、基础、管座

①砂土基础
弧形素土基础、砂垫层基础
适用于土壤条件非常好、无地下水的地区,管道直径小于600mm,管顶覆土厚度在0.7-2.0m之间的管道,不在车行道下的次要管道及临时性管道。
②混凝土枕基
在管道接口下设混凝土垫块
适用于土壤条件较好、无地下水的地区,给排水支管。
③混凝土带形基础
沿管道全长铺设带状水泥混凝土 n适用于各种土质,特别是土壤条件差、震区、重要管道等。
按管座的形式,分为90度、135度、180度、360度四种管座基础,根据管道埋置深度选择。
2.排水管道附属构筑物
(1)检查井 n功能:便于对管道衔接以及定期检查和疏通。
位置:管道交汇、转弯、尺寸或坡度改变处、跌水、相隔一定距离的直线段上。
构造:由井底、井身、井盖组成。
井底
一般采用低标号混凝土、基础采用碎、卵石或混凝土;
宜设流槽,并使流槽底具有一定坡度,以降低水流阻力,防止淤积;
流槽两侧至井壁间应有不小于20cm的宽度,以便于养护人员下井时立足,即沟肩。
井身
以砖、石砌筑,也可以钢筋混凝土现浇。
不需要下井的浅检查井,井身为直壁圆筒形;需要下井的其井身在构造上分为井室、渐缩部、井筒三个部分。
井室直径不小于1m,井筒直径不小于0.7m。井室与井筒间以渐缩部连接。也可在井室上加钢筋混凝土盖板,在盖板上砌筑井筒。
井盖
由井盖和盖座组成,常用采用铸铁、钢筋混凝土等。
为防止雨水流入,盖顶应略高于地面。
(2)雨水口
功能:收集地表径流的雨水,将其引入雨水管道。
位置:道路交叉口、直线上一定距离(25-50m)处、路缘石低洼地。
构造:由基础、井箅、井筒、连接管组成。
4.给水管道附属构筑物
(1)阀门井
功能:安装各种给水管道附件,方便操作和养护。
(2)泄水阀井
功能:排除泄水阀所排放 水,由湿井与阀门井相连组成。
(3)支墩
功能:防止管道的承插接口因承受过大的水流推力,而导致接口脱落。 位置:弯管、三通、变径等位置
三、管道工程图一般规定
1.标高
标准规定,室外工程应标注绝对标高;无绝对标高时也可标注相对标高。
压力管应标注管中心标高
沟渠和重力管应标注沟(管)内底标高
2.管径
公称直径:DN,常用于金属管材。
如铸铁管DN25
外径:D×δ,常用于不锈钢管、无缝钢管。
如不锈钢管D108×4
内径:d,常用于混凝土管、陶土管等。
如钢筋混凝土管d300
四、平面图
图示内容
表明管道的平面位置,管道直径、长度、坡度,检查井位置、编号,水流方向等。
比例:1:500或1:1000,与道路施工图一致。
方位:坐标网或指北针
道路平面图:中心线、边线、桩号等
管线:雨水Y、污水W、给水J,以不同的线型表示。
附属构筑物:图例表示并编号,如W5,5号污水检查井。
标高:地面标高和管道标高
管道:直径、长度、坡度、流向。图2-105


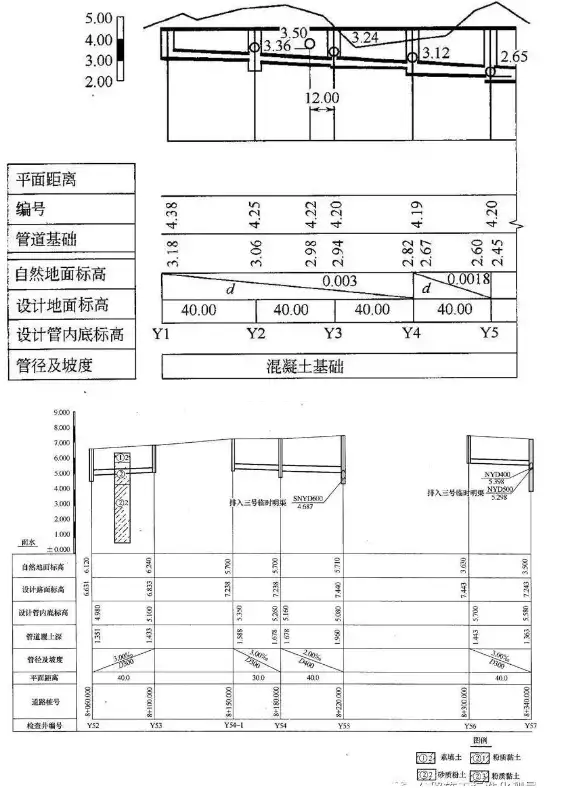
五、纵断面图
图示内容
表示地面起伏情况、管道敷设深度、管道直径及坡度、与其他管道交接情况。
横向表示长度、竖向表示管径与标高。
图样部分
比例:竖向比例常为横向比例的10倍n线形:粗双线—管道、粗实线—地面、双竖线—检查井。
支管标注:SYD400—方位、代号、管径。即表示由南向接入的直径400mm的雨水管道。

图表部分
编号:检查井编号
平面距离:相邻检查井的中心距离
管径及坡度:当管径与坡度不变时,可只标一个
管道标高:排水管是指检查井进、出口管道内底标高
设计路面标高:由道路中线设计标高、道路横坡、检查井距道路中心线的距离而推算。
原地面标高:原始自然地面。
图文来源于网络,仅供学习参考






